YOU CAN COUNT ON OUR EXPERTISE





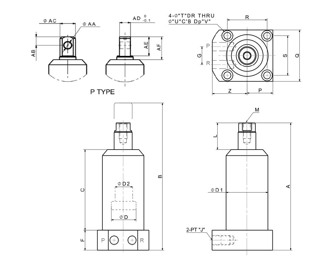
| MODEL NO. | Clamping Force (Ton) | Effective Area(㎠) | Oil Capacity (㎤) | Piston | Weight | |||
|---|---|---|---|---|---|---|---|---|
| Push | Pull | Push | Pull | Push | Pull | Diameter (ø) | (kg) | |
| SDP-2530F | 1.23 | 0.59 | 4.91 | 2.36 | 14.72 | 7.09 | 25 | 1.23 |
| SDP-2530FG | 1.24 | |||||||
| SDP-2530FGV | 1.25 | |||||||
| SDP-2530FGT | 1.24 | |||||||
| SDP-2530FGVT | 1.25 | |||||||
| SDP-2530FP | 1.22 | |||||||
| SDP-2530FGP | 1.23 | |||||||
| SDP-2530FGPV | 1.24 | |||||||
| SDP-2530FGPT | 1.23 | |||||||
| SDP-2530FGPVT | 1.24 | |||||||
| SDP-3037F | 1.77 | 0.78 | 7.07 | 3.13 | 26.14 | 11.57 | 30 | 2.22 |
| SDP-3037FG | 2.25 | |||||||
| SDP-3037FGV | 2.26 | |||||||
| SDP-3037FGT | 2.24 | |||||||
| SDP-3037FGVT | 2.25 | |||||||
| SDP-3037FP | 2.20 | |||||||
| SDP-3037FGP | 2.23 | |||||||
| SDP-3037FGPV | 2.24 | |||||||
| SDP-3037FGPT | 2.23 | |||||||
| SDP-3037FGPVT | 2.24 | |||||||
| SDP-4055F | 3.14 | 1.60 | 12.56 | 6.41 | 69.08 | 35.23 | 45 | 3.96 |
| SDP-4055FG | 3.99 | |||||||
| SDP-4055FGV | 4.01 | |||||||
| SDP-4055FGT | 3.98 | |||||||
| SDP-4055FGVT | 3.99 | |||||||
| SDP-4055FP | 3.94 | |||||||
| SDP-4055FGP | 3.98 | |||||||
| SDP-4055FGPV | 3.99 | |||||||
| SDP-4055FGPT | 3.98 | |||||||
| SDP-4055FGPVT | 3.99 | |||||||
| SDP-5577F | 5.94 | 3.53 | 23.75 | 14.13 | 182.84 | 108.80 | 55 | 8.24 |
| SDP-5577FG | 8.29 | |||||||
| SDP-5577FGV | 8.31 | |||||||
| SDP-5577FGT | 8.29 | |||||||
| SDP-5577FGVT | 8.31 | |||||||
| SDP-5577FP | 8.23 | |||||||
| SDP-5577FGP | 8.28 | |||||||
| SDP-5577FGPV | 8.30 | |||||||
| SDP-5577FGPT | 8.28 | |||||||
| SDP-5577FGPVT | 8.30 | |||||||




