로타리 조인트(RTC-8090) 문의
관련링크
본문
안녕하십니까 코리아 고꾸사이 채상준대리라고 합니다.
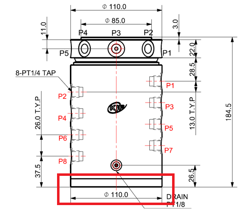
로타리 조인트 RTC-8090에 대해 문의드립니다.
[문의1]
첨부된 그림파일의 하단 빨간색 사각표시부분 Ø100부분에 조립성 공차 규제가 있는지 문의드립니다.
[문의2]
만약 없다면 공차규제를 Ø100g6로 가능한지 문의드립니다.(바닥에서 4~5mm 정도)
검토후 회신요청드립니다.
감사합니다.
로타리 조인트 RTC-8090에 대해 문의드립니다.
[문의1]
첨부된 그림파일의 하단 빨간색 사각표시부분 Ø100부분에 조립성 공차 규제가 있는지 문의드립니다.
[문의2]
만약 없다면 공차규제를 Ø100g6로 가능한지 문의드립니다.(바닥에서 4~5mm 정도)
검토후 회신요청드립니다.
감사합니다.




