Re: 제품 재질 등에 관한 문의
관련링크
본문
문의주셔서 감사합니다.
1. 아연도금스틸
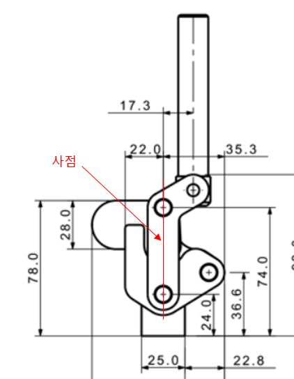
2. 링크와 핀이 이루는 사점에서 얻어지는 잠금 기능. 고정 대상의 물체가 움직이면 잠금기능이 풀릴 수도 있음.
-(주)케이제이에프-
>
>
> 귀사의 Heavy Duty weldable Type 의 제품과 관련하여 문의드립니다.
> 1. 해당 제품의 재질
> 2. 고정된 상태에서 핸들이 어떠한 원리로 고정이 되는지(고정 대상 물체가 움직여도 헨들의 위치가 고정되는지 혹은 핸들을 고정하기 위한 고정핀의 추가가 가능한지 여부
> 에 대하여 문의 하오니 확인 후 답변 주시면 감사하겠습니다.
>
>
1. 아연도금스틸
2. 링크와 핀이 이루는 사점에서 얻어지는 잠금 기능. 고정 대상의 물체가 움직이면 잠금기능이 풀릴 수도 있음.
-(주)케이제이에프-
>
>
> 귀사의 Heavy Duty weldable Type 의 제품과 관련하여 문의드립니다.
> 1. 해당 제품의 재질
> 2. 고정된 상태에서 핸들이 어떠한 원리로 고정이 되는지(고정 대상 물체가 움직여도 헨들의 위치가 고정되는지 혹은 핸들을 고정하기 위한 고정핀의 추가가 가능한지 여부
> 에 대하여 문의 하오니 확인 후 답변 주시면 감사하겠습니다.
>
>



